• Lage: Hinter der Zoitzmühle/Zoitzstraße 3, 07551 Gera-Liebschwitz
  • Lagebeschreibung: Randlage in südlicher Richtung von Gera, unweit der Bundesstr. B 92 Gera-Greiz
    Die Zufahrt erfolgt über eine eigene Straße. (Auch für den Schwerlast-Transport ausgelegt.)
    Fußweg zu ÖPNV: 10 Min.
    Fahrzeit zu Hpt-Bhf: 20 Min.
    Fahrzeit zu nächst. BAB: 15 Min.
    Fahrzeit zu Flughafen: 25 Min.
  • Objektart: Produktionshalle, Lagerhalle, kombinierte Hallen- und Büroflächen
  • Gesamtfläche (m2): 30.000
  • Nutzfläche (m2): 15.000
  • Beschreibung: Wir bieten Flächen ab 1,50 Euro/m2 kalt
    - Lager, Produktion, Büro
    - Großer asphaltierter Außenbereich
    - Ausbau nach Ihren Wünschen möglich (z.B. Heizung, WC, Büro etc.)
    - Ebenerdig mit Rolltor / Tor ….
    - Kostenlose Parkplätze für Mitarbeiter und Kunden
    - Ganztägige LKW Belieferung möglich
    - Lichtdurchflutete Halle

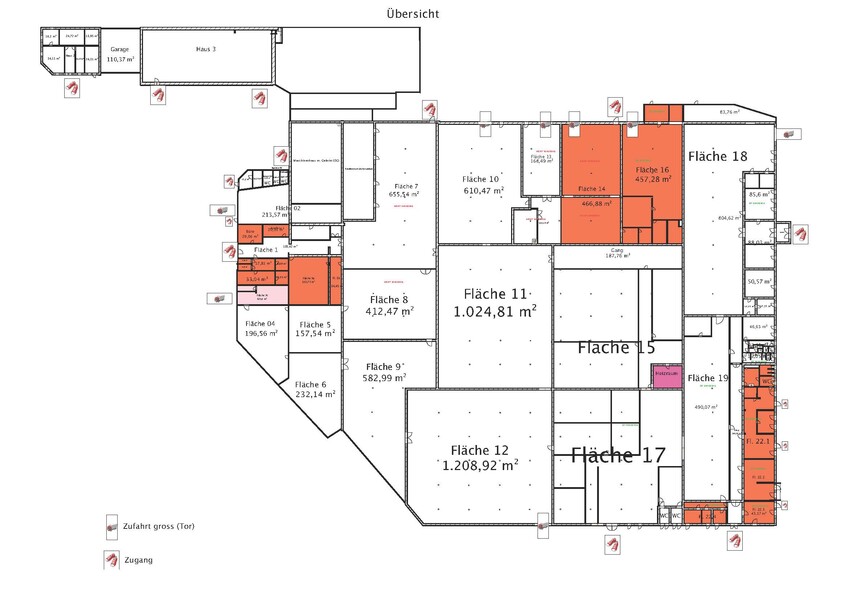
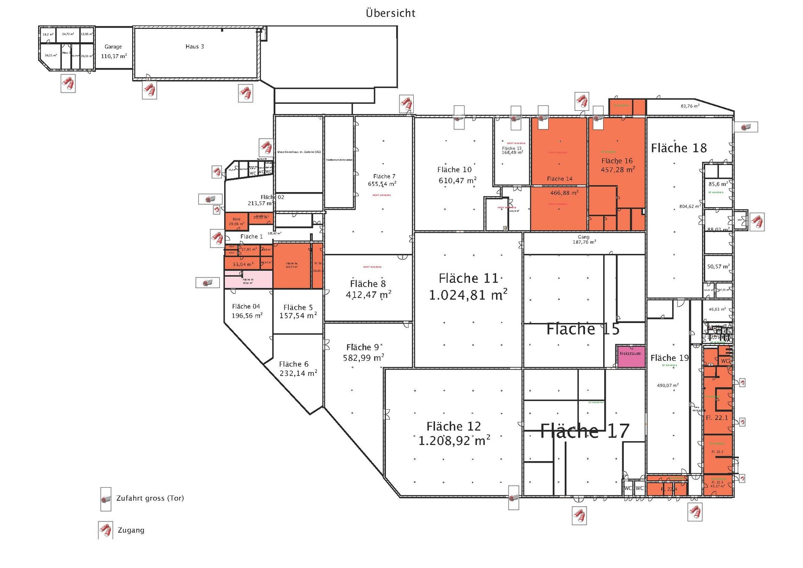
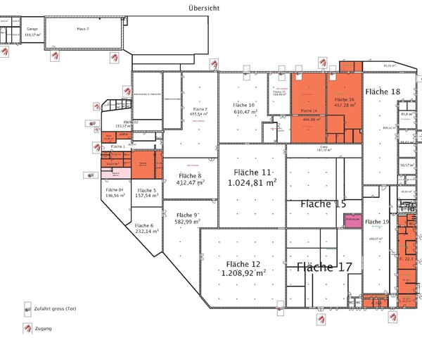
    Verfügbare Flächen:
    Flächen aktuell bis 10.000 m2 verfügbar.
    Fläche teilbar: ab 250 m2
    Grundstück: 36.000,00 m2
    Verfügbar ab: sofort

    Alle Medien wie Wasser, Abwasser und Gas sowie Internet liegen an. Eine Videoüberwachung des Geländes ist installiert und kann mitgenutzt werden.

    Die Hallenflächen dienen hauptsächlich als Gewerbe- bzw. Lagerflächen, werden aber auch zu Bürozwecken genutzt. In dem Gebäudekomplex sind umfangreiche Sanierungs- und Modernisierungsarbeiten ausgeführt worden. Moderne Sanitäreinrichtungen (Damen und Herren WC sowie moderne Duschen) sind in den Hallenbereichen integriert.

    Die zur Verfügung stehende Gesamtfläche ist untergliedert in einzelne Bereiche. Diverse Trennwände können in vorhandener Form genutzt, oder flexibel entsprechend dem Bedarf verändert werden.

    Stellplätze stehen im ausreichenden Maße zur Verfügung. Die vorhandenen Freiflächen sind befestigt (ca. 8.000 m2). Ebenso sind Be- und Entladezonen vorhanden.

    Der Winterdienst sowie die Landschaftspflege sind gesichert.

    Alle Flächen sind einzeln anmietbar, können jedoch kombiniert oder zusammen angemietet werden.

    Angaben zur Ausstattung:
    Objektart: Industriehalle
    Anzahl der Parkflächen: 80
    Heizungsart: Zentralheizung
    Bodenbelastung: 2.000,00 kg/m2
    Stromanschluss(kVA): 680 kVA
    Bodenbelag: Beton, Estrich, z.T. Epoxydharz (u.a.)
    Hallen-/Geschosshöhe: 6,00 m
    Stützenraster: 6,0 m* 7,0 m)

    Weitere Details unter: http://www.spinnery.de/ sowie unter dem Panorama-Link
  • Entf. zum Flughafen (km): bis 10
  • Entf. zur Autobahn (km): bis 10
  • Entf. zum KLV-Terminal (km): bis 10
  • Angaben aus Energieausweis: laut Gesetz nicht erforderlich
  • Immobilie steht zur Miete/Pacht
  • Angeboten von:
    Herr Peter Jütte
    Peter Jütte & Thomas Seidel Immobilienverwaltungs GbR
    Brandis
    Mobil: 0176 63343442
    Internet: www.spinnery.de
    E-Mail: info@spinnery.de
  • Sonstige Informationen: Besichtigung persönlich oder per Foto/Video möglich

Ich möchte diesen Beitrag teilen

Ihre Kontaktperson

Bei Fragen hilft Ihnen Matthias Weiland gerne weiter.

T: +49 341 1267-1265
F: +49 341 1267-1422
E: matthias.weiland@leipzig.ihk.de

Aufnahme der IHK-Fahnen vor dem Haus